瑞安市天蓝环保设备官方网站
扫一扫立即查看手动刀闸阀产品概述:
设计制造:JB/T8691-1998
结构长度:GB/T15188.2-94
法兰连接:GB/T9113.1-2000 JB/T79-94
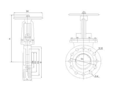
手动刀闸阀产品示意图:


PZ73F-10型手动刀闸阀主要技术参数:

瑞安市天蓝环保设备有限公司主营:卸料器、卸灰阀、卸料阀、等系列产品,“天蓝环保、净化全球”,客服热线:0577-65007068
瑞安市天蓝环保设备官方网站
扫一扫立即查看
瑞安市天蓝环保设备官方微信
扫一扫立即关注