瑞安市天蓝环保设备官方网站
扫一扫立即查看XZJ型旋转进料阀产品概述:
配新颖气缸可带磁性开关,阀门采用旋转运动形式,自动补偿的弹填密封装置,大型腔无卡涩现象,水平位置安装,密封副采用进口超耐磨合金,性能稳定免维护使用寿命超长,适用范围广可代替进口产品。
XZJ型旋转进料阀应用范围:
公称压力:1.0Mpa
介质温度:≤450℃
气缸工作压力:≥0.45Mpa
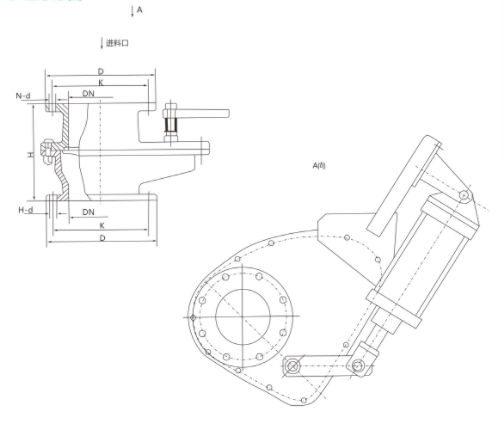
XZJ型旋转进料阀产品示意图:

主要技术参数 Main Techanical Variables


瑞安市天蓝环保设备有限公司主营:卸料器、卸灰阀、星型卸灰阀、卸料阀、瑞安卸料器等系列产品,“天蓝环保、净化全球”,客服热线:0577-65007068


浙ICP备16043010号-4