瑞安市天蓝环保设备官方网站
扫一扫立即查看XZC型旋转出料阀产品概述(Product Instroduction ):
配新颖气缸可带磁性开关,阀门采用旋转运动形式,自动补偿的弹填密封装,料口全流通无卡涩现象,可水平,垂直和倾斜位置安装,密封副采用进口超耐磨合金,性能稳定免维护使用寿命长,适用范围广可代替进口产品。
XZC型旋转出料阀应用规范:
公称压力:1.0MPa
介质温度:≤350℃
气缸工作压力:≥0.45MPa
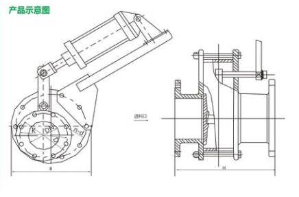
XZC型旋转出料阀产品示意图:



XZC型旋转出料阀主要技术参数:

瑞安市天蓝环保设备有限公司主营:卸料器、卸灰阀、星型卸灰阀、卸料阀、瑞安卸料器等系列产品,“天蓝环保、净化全球”,客服热线:0577-65007068


浙ICP备16043010号-4